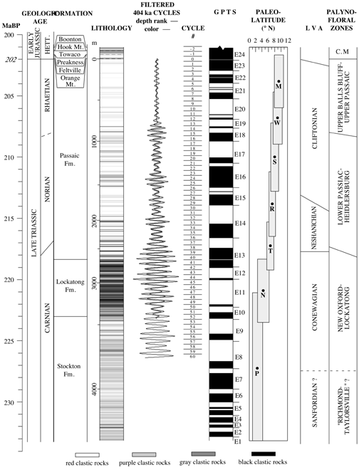
Figure 1: Time scale for the Late Triassic based on the NBCP cores. Adapted from Olsen and Kent (1999).